Terdapat banyak jenis beban motor, dan penyimpangan kadang-kadang mungkin besar ketika menggunakan formula. Secara amnya, motor yang lebih besar mempunyai ammeter untuk memantau dan memantau kelewatan penyesuaian kawalan star-delta. Secara amnya, anda boleh melakukan ini: tekan butang mula untuk melihat arus meter. Pada masa ini, penunjuk jam mungkin melebihi nilai skala penuh jam tangan. Dengan peningkatan kelajuan motor, arus perlahan-lahan menurun (penunjuk secara beransur-ansur turun). Setelah penunjuk mencapai kedudukan tertentu, ia tidak lagi jatuh ke bawah. Apabila segitiga berubah (iaitu, relay waktu harus diaktifkan, harus ditunda selama maksimum 2 saat untuk keselamatan). Ini semestinya paling munasabah. Sebaliknya, jika bebannya berat, daya motor yang disambungkan bintang hanya 1/3 segitiga. Kelajuan motor tidak akan berubah setelah tahap kenaikan tertentu, tetapi ada jarak tertentu dari kelajuan yang dinilai. Pada masa ini, arus motor sering berada pada motor dinilai. 1.2 kali lebih banyak daripada itu, tidak bermanfaat untuk menukar masa dalam keadaan ini, yang berbahaya dan tidak membantu (tindakan relay termal yang dapat dielakkan mungkin berlaku). Secara amnya, selagi ia adalah peranti bukan inersia, motor tak segerak sangkar di bawah 75KW tidak dimulakan dengan segitiga bintang. Lebih dari 5 saat.
Ia bergantung pada beban. Sekiranya anda bertanya lebih banyak mengapa dan mempermudahnya, terdapat banyak jawapan.
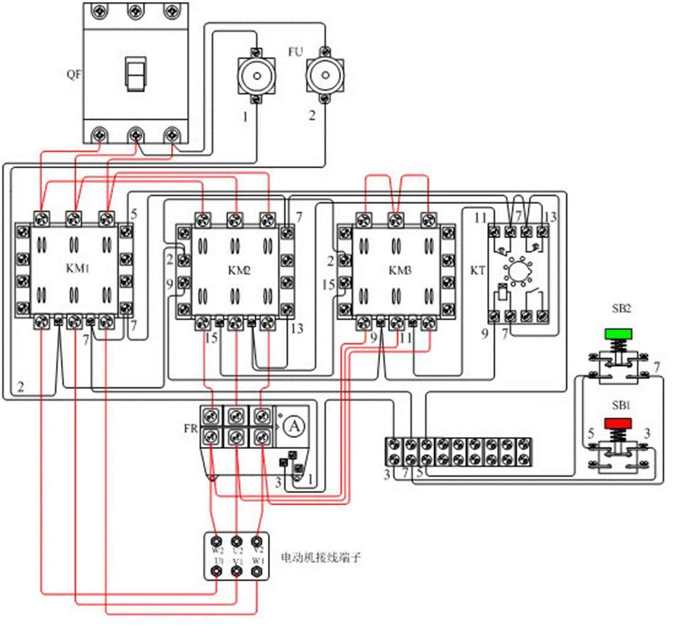
1. Mengapa motor mesti dimulakan dengan bintang-delta buck?
2. Apakah peranan bintang dalam proses memulakan segitiga bintang?
Jawapan1. Permulaan star-delta umumnya digunakan untuk memulakan dengan motor kuasa yang lebih besar dan beban yang lebih berat. Tujuannya adalah untuk mengurangkan turun naik besar voltan grid semasa motor dimulakan (arus permulaan motor voltan penuh adalah sekitar 4 hingga 7 kali nilai yang dinilai), yang boleh mempengaruhi operasi normal peralatan elektrik lain. Bagi pengguna dengan kapasiti transformer kecil dan beban berat, jika star-delta buck tidak digunakan untuk memulakan, turun naik voltan sangat ketara.
Jawapan 2: Semasa memulakan sambungan bintang, setiap fasa penggulungan motor berubah dari voltan 380V ditambahkan ke 220V ketika voltan penuh dimulakan. Di bawah impedans AC yang sama, arus permulaan secara semula jadi turun kerana penurunan voltan yang ketara (arus permulaan Nilai maksimum terhad kepada kira-kira 2 kali). Dalam proses pendek setelah sambungan bintang diaktifkan, motor menyelesaikan empat tahap di atas dari kelajuan putaran-putaran-percepatan-malar, dan arus juga terus menurun dengan keempat-empat proses ini. Setelah mencapai GG; kelajuan tetap, arus tidak lagi turun. Hentikan nilai tertentu. Pada ketika ini, tugas bersejarah GG; bintang telah selesai. Di sini kita mesti mengetengahkan:" Sekiranya tugas permulaan bintang telah selesai, jika anda menunggu selama 5 saat, 10 saat, dan 15 saat, ia tidak akan mempengaruhi kelajuan motor. Apa yang akan berubah, penantian ini sia-sia (beban yang lebih berat juga boleh menyebabkan relay terma beroperasi). Oleh itu, setelah permulaan bintang selesai (pada" kelajuan tetap"), relay masa harus diaktifkan (peralihan) kerana motor berjalan dengan beban Pada akhirnya ia dijalankan dalam keadaan segitiga.

Secara umum:
A. Permulaan bintang adalah menukar voltan 380V menjadi voltan 220V dan mula berliku, sehingga menghadkan arus permulaan.
B. Mempercepat motor dari keadaan statis ke kecepatan tertentu dan mempertahankannya pada kelajuan ini (kelajuan mungkin mendekati nilai dinilai motor atau mungkin memiliki jurang tertentu dengan kelajuan pengenal, yang ditentukan oleh beban yang berbeza Keadaan ini dicapai kerana ini Motor telah menghabiskan kapasiti maksimumnya (hanya 1/3 tork).
Ia kemudian dipindahkan ke segitiga. Dengan kata lain, segitiga adalah" relay" ;, dan motor dengan kelajuan yang agak tinggi disambungkan ke kelajuan pengenal melalui voltan penuh (380V). (Arus penukaran seketika akan melonjak. Tetapi tidak ada banyak kesan), mendorong beban berjalan normal.
